Boy Duplex
Boy Duplex
Product number:
10534
Boy Duplex
Product number:
10534
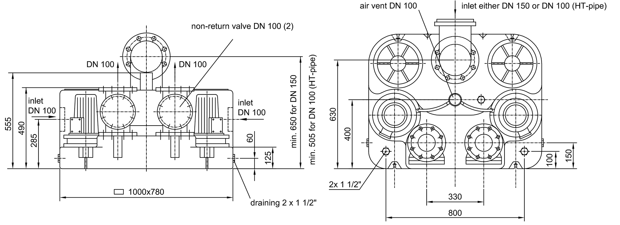
- Double sewage lifting unit with vortex pumps
- Max. flow rate: 40,0 m³/h
- Max. head: 7,0 m
- Input power P1: 1.900 W
- Output power P2: 1.500 W
- Solids handling: 50 mm
- Pressure outet: 2 x DN 100
Model
- polyethylene container with 200 litres capacity and up to 100 litres switching volume
- vortex pumps with high efficiency
- mechanical seal and shaft seal with intermediate oil chamber
- inlets: 2 x lateral DN 100, 1 x top DN 100/DN 150
- additional connections 1 ½“ for manual diaphragm pump
- air vent DN 100 (Ø 110mm)
- operation temperature max. 55°C
- operating mode S3 - 25%
- protection grade IP 68 - fully submersible
Application
- pumping of domestic sewage from basement apartments, single-family houses or apartment buildings
- above-ground installation in frost-free rooms below the backflow level
Scope of delivery
- pre-assembled lifting unit with 3,5 m connection cable to the motor and 5,0 m pneumatic tube to the control
- incl. 2 non-return valves DN 100
- Y-pipe DN 100/100/100
- connection flange piece DN 100 for pressure pipe
- flexible connection with tension clamps for pressure pipe and ventilation pipe
- incl. ZPS2: comfortable, pneumatic level control with microcontroller, LCD plain text display for filling level, maintenance, operating hours, fault message and alarm signal in switchbox for indoor installation


Application: | Disposal |
---|---|
Features: | mit pneumatischer Pumpensteuerung für Doppelpumpanlagen |
Frequency: | 50 |
Head up to [m]: | 7.0 |
Installation location: | inside buildings |
Max. flow rate [m³/h]: | 40.0 |
Max. temperature [°C]: | 55 |
Nominal current [A]: | 3.3 |
Packing (WxHxL): | 780 x 1070 x 1180 |
Power P1 [W]: | 1900 |
Power P2 [W]: | 1500 |
Pumped medium: | sewage containing faeces, waste water |
Speed [U/min]: | 1400 |
Voltage [V]: | 400 |