W 80 Duplex
W 80 Duplex
Product number:
10539
W 80 Duplex
Product number:
10539
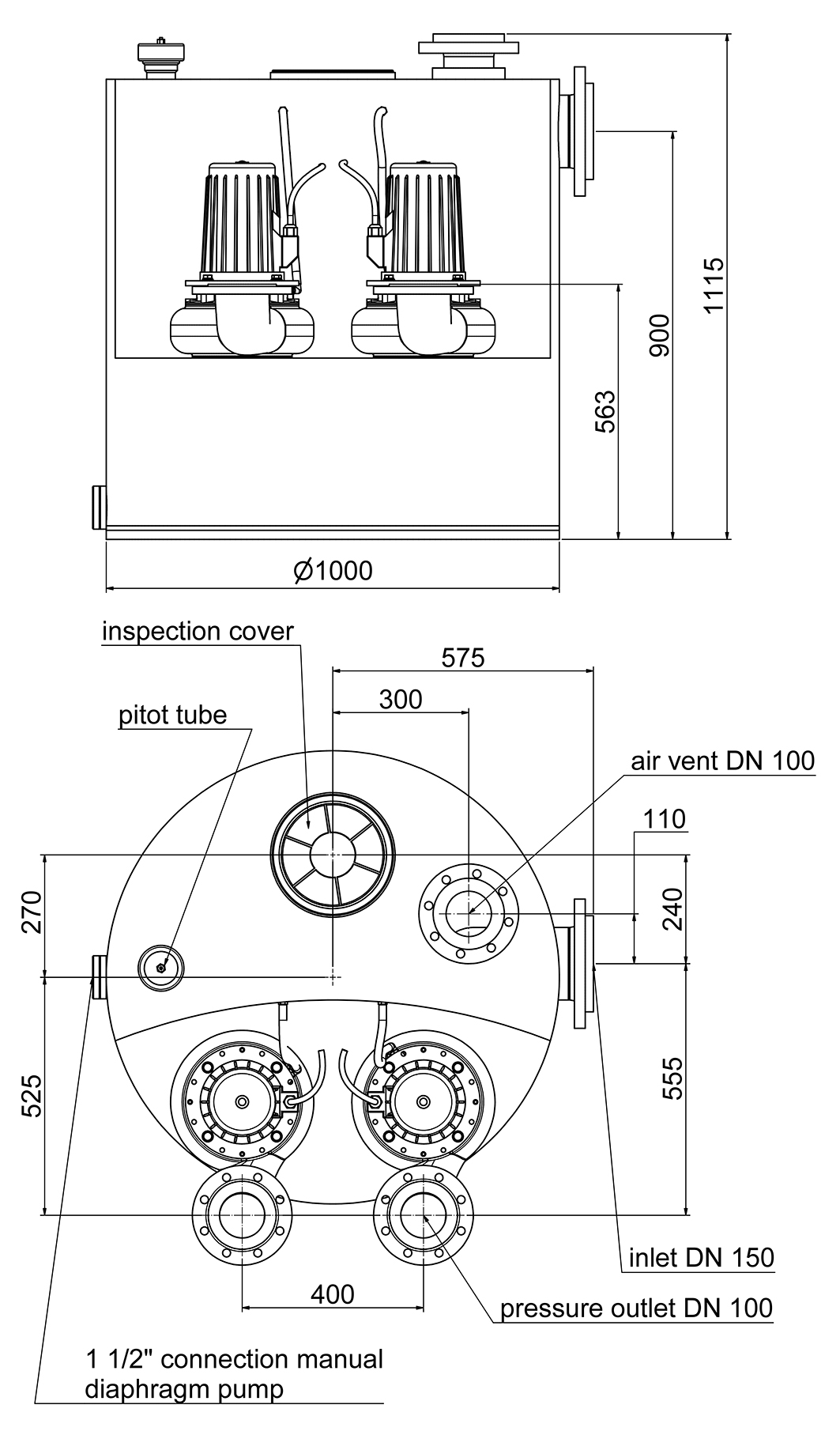
- Double sewage lifting unit with vortex pumps
- Max. flow rate: 60,0 m³/h
- Max. head: 11,0 m
- Input power P1: 4.000 W
- Output power P2: 3.000 W
- Solids handling: 80 mm
- Pressure outlet: DN 50
Model
- polyethylene container with 480 litres capacity and up to 270 litres switching volume
- vortex pump with large solids handling
- mechanical seal and shaft seal with intermediate oil chamber
- pump housing with cast-on outlet bend DN 100
- lateral inlet with loose-type flange DN 100
- additional connection 1 ½“ for manual diaphragm pump
- air vent with loose-type flange DN 100 (Ø 110 mm)
- operation temperature max. 55°C
- operating mode S3 - 25%
- protection grade IP 68
Application
- drainage of domestic sewage from apartment buildings, schools, public or industrial institutions
- institutions which need a continuous sewage drainage
- above-ground installation in frost-free rooms below the backflow level
Scope of delivery
- pre-assembled lifting unit with 3,5 m connection cable to the motor and 5,0 m pneumatic tube to the control
- incl. ZPS2: comfortable, pneumatic level control with microcontroller, LCD plain text display for filling level, maintenance, operating hours, fault message and alarm signal in switchbox for indoor installation
- small compressor set with bubbler system
- Attention! Non-return valve, gate valve and further junction fittings optional (see accessories)

Application: | Disposal |
---|---|
Features: | mit pneumatischer Pumpensteuerung für Doppelpumpanlagen |
Frequency: | 50 |
Head up to [m]: | 11.0 |
Installation location: | inside buildings |
Max. flow rate [m³/h]: | 60.0 |
Max. temperature [°C]: | 55 |
Nominal current [A]: | 6.9 |
Packing (WxHxL): | 1100 x 1259 x 1100 |
Power P1 [W]: | 4000 |
Power P2 [W]: | 3000 |
Pumped medium: | sewage containing faeces, waste water |
Solids handling [mm]: | 80 |
Speed [U/min]: | 1400 |
Voltage [V]: | 400 |
