Kompaktboy SE 71 Simplex
Kompaktboy SE 71 Simplex
Product number:
17750
Kompaktboy SE 71 Simplex
Product number:
17750
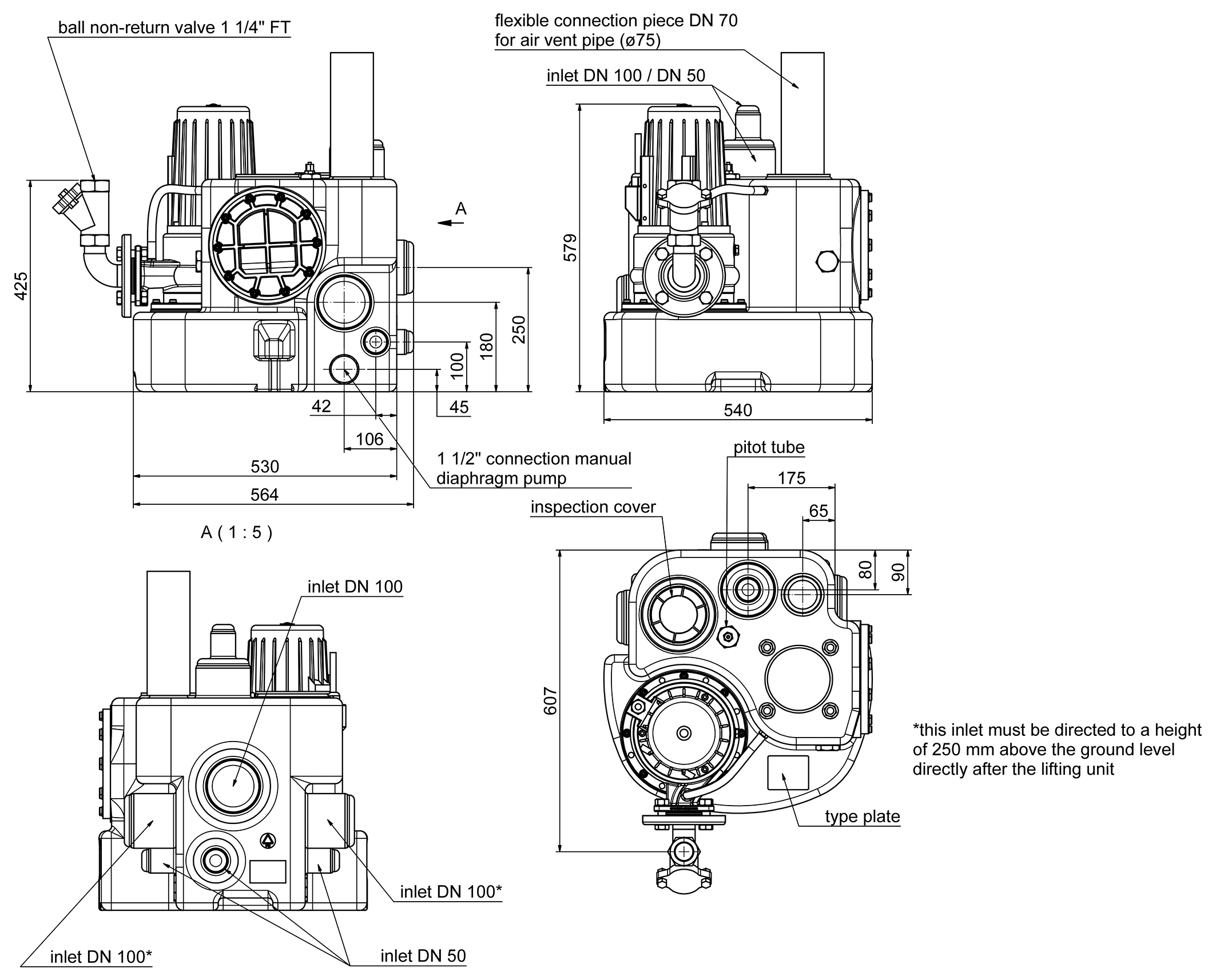
- Single sewage lifting unit with cutter pump
- Max. flow rate: 17,0 m³/h
- Max. head: 22,0 m
- Input power P1: 2.200 W
- Output power P2: 1.700 W
- Pressure outlet: DN 50
Model
- polyethylene container with 55 litres capacity and up to 45 litres switching volume
- built-up grinder pump with robust, adjustable cutting system made of corrosion-resistant special alloy
- two mechanical seals with intermediate oil chamber
- pressure outlet flange DN 50 with flanged connecting bend and non-return ball valve 1 1/4" FPT
- inlets: 3 x lateral DN 100 and 1 x top DN 50/100
- additional connections 1 ½“ for manual diaphragm pump
- air vent DN 70 (Ø 75mm)
- operation temperature max. 55°C
- operating mode S3 - 25%
- protection grade IP 68 - fully submersible
Application
- pumping of domestic sewage from basement apartments or single-family houses for greater heads or long pressure pipes
- above-ground installation in frost-free rooms below the backflow level
- fits into manholes with a cover > Ø 590 mm
Scope of delivery
- pre-assembled lifting unit with 3,5 m connection cable to the motor and 5,0 m pneumatic tube to the control
- 90° pump connecting bend DN 50
- non-return ball valve 1 1/4" FPT
- flexible connection with tension clamps for ventilation pipe
- incl. ZPS1: comfortable, pneumatic level control with microcontroller, LCD plain text display for filling level, maintenance, operating hours, fault message and alarm signal in switchbox for indoor installation
| Frequency: | 50 |
|---|---|
| Head up to [m]: | 22.0 |
| Max. flow rate [m³/h]: | 17.0 |
| Nominal current [A]: | 10.5 |
| Packing (WxHxL): | 580 x 600 x 790 |
| Power P1 [W]: | 1700, 2200 |
| Speed [U/min]: | 2800 |
| Voltage [V]: | 230 |
| C [µF]: | 60 |